Dual In-Line Packages

RR-498970-E

General Parameters:
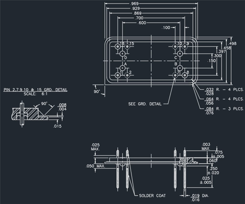
Post Ht.: .075+/-.005
Posts: 8
Lead Lgth.: .250+/-.020
Leads: 6
Insulated Pin Position: 1, 8 & 16 Thru
Grd. Pin Position: 2, 7, 9, 10 & 15 Thru
S.O. Ht. +/-.005: .025.150x.600 Grid.
No Of S.O.: 4
Header Mat'l.: C.R.S
product-details ../
products