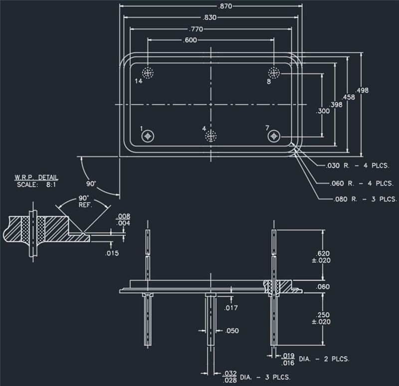
Dual In-Line Packages

RR-498870-C

General Parameters:
Post Ht.: .035+/-.005
Posts: 14
Lead Lgth.: .250+/-.020
Leads: 14
Insulated Pin Position: 1-14 Thru
Grd. Pin Position: N/A
S.O. Ht. +/-.005: N/A
No Of S.O.: N/A
Header Mat'l.: Kovar
product-details ../
products