Dual In-Line Packages

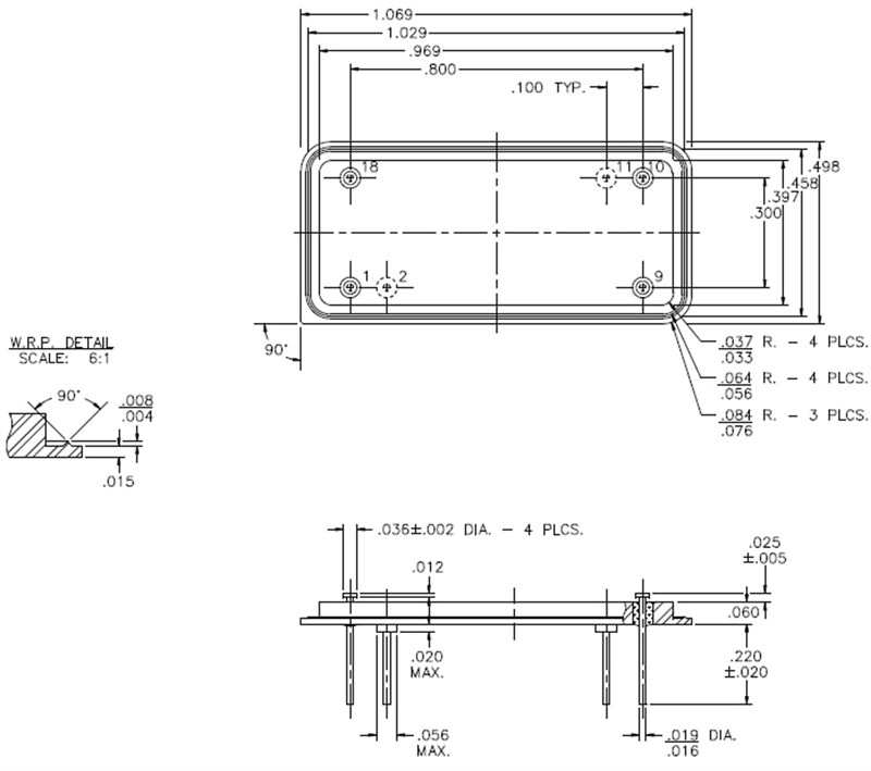
RR-4981070-D

General Parameters:
Post Ht.: Nail Head.025+/-.005
Posts: .036 Dia.x.012 Thk. 4
Lead Lgth.: .220+/-.020
Leads: 6
Insulated Pin Position: 1, 9, 10 & 18 Thru
Grd. Pin Position: 2 & 11 Lead Only
S.O. Ht. +/-.005: .056 Dia.x.020 Ht. Note: Grd. Nail Heads
No Of S.O.: 2
Header Mat'l.: C.R.S
product-details ../
products