Discretes

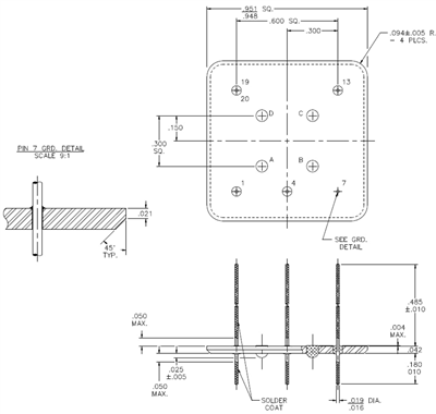
DC-9506-A

General Parameters:
Post Ht. & Post Dia.: .485+/-.010 .018 Dia.
Posts: 5
Lead Lgth. & Lead Dia.: .180+/-.010
Leads: 5
Insulated Pin Position: 1, 4, 13 & 19 Thru
Grd. Pin Position: 7 Thru
S.O. Ht. +/-.005 & Grid. Pattern: .300 x .300 .025+/-.005
S.O.: 4
Header Mat l.: C.R.S.
product-details ../
products