Discretes

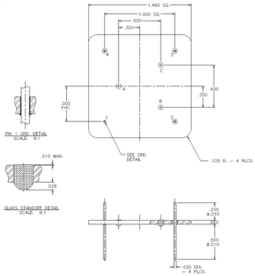
DC-1460-G

General Parameters:
Post Ht. & Post Dia.: .250+/-.010 (.030)
Posts: 4
Lead Lgth. & Lead Dia.: .500+/-.010 (.030)
Leads: 4
Insulated Pin Position: 2, 3 & 4 Thru
Grd. Pin Position: 1 Thru
S.O. Ht. +/-.005 & Grid. Pattern: .600 X .600 .028+/-.005
S.O.: 3
Header Mat l.: C.R.S.
product-details ../
products