Discretes

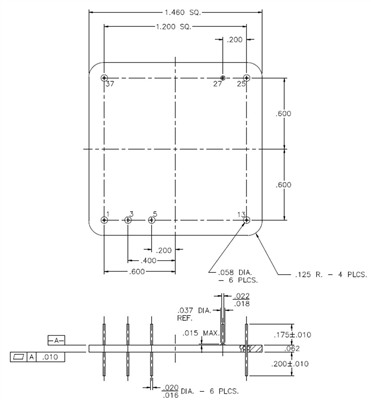
DC-1460-A

General Parameters:
Post Ht. & Post Dia.: .175+/-.010 (.018)
Posts: 7
Lead Lgth. & Lead Dia.: Flush .200+/-.010 (.018)
Leads: 1 6
Insulated Pin Position: 1, 3, 5, 13, 25 & 37 Thru
Grd. Pin Position: 27 Post Only
S.O. Ht. +/-.005 & Grid. Pattern: N/A
S.O.: N/A
Header Mat l.: C.R.S.
product-details ../
products