Intermediate Low Profile (CWLP-460)

CWLP-40-BW-A-CN646G

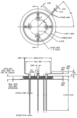
General Parameters:
Flange Dia.: .810
Glass: Natural
Grd. Location & Type: .040 / .019
No. of Lead(s): Yes
Lead Lgth. (+/- .015): 5
Mount Information:
Type: 1.015
Max. Ht.: 4 Pt. Chair Mount
Thk. x Wdth.: .144
Temp. & Mat l.: .006 x .046
product-details ../
products