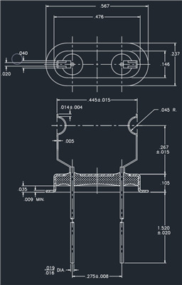
HC-46 (CW-140 Series)

CW-142-017M-HMBD ST B.445

General Parameters:
Post/Lead Dia.: .018
Grd. Pin: No
Lead Lgth. (+/- Tol.): .455+/-.015
Mount Information:
Center Lead Type & Ht.: N/A
Contact Area Dim.: .015 Slot & .045 R.
Mount To Mount: .220+/-.015
Mount Ht.: .445+/-.015
Thk. x Wdth.: .005 x .040
Temp. & Mat'l.: S.S. 301, Spring Hard
product-details ../
products